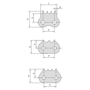
Ланцюг для транспортування деревини використовується підприємствами з переробки деревини для транспортування деревини, а основними продуктами є ланцюг із загостреними зубцями тощо.